product center
布尔泰产品
博恩泰BURNTECH一体式低氮燃气燃烧器系列
· 单台最大功率可到20MW
· 适配1T-20T蒸汽、热水、导热油锅炉

一、NOx生成机理
燃料型
指燃料中含氮的有机化合物在燃烧过程中氧化而生成的NOx
快速型
指空气中的氮分子在着火初始阶段,与燃料燃烧的中间产物烃等发生反应,生成中间产物HCN和CN等,最终生成NOx
热力型
指空气中的氮气在高温下氧化产生的NOx

二、热力型NOx生成机理

· 在锅炉燃烧水平轴,NO的生成反应还没有达到化学平衡,因而NO的生成量将随烟气在高温区内的停留时间增加而增大。
· 氧气浓度直接影响NO的生成量,氧浓度越高,NO生成量就越多
· 当温度高于1500℃时,NO生成反应变得十分明显,随着温度升高,反应速度迅速增加。
【结论】温度对NO生成具有决定性影响
边界温度>>>
根据 ZELKOWSKI(1986)的研究结果,NOX的生成量与温度之间存在一个边界温度,高于该边界温度时,NOX生成量将随温度的升高以指数规律增加。边界温度大约为1300℃~1500℃之间
高于1500℃,温度每升高100℃,反应速度提高6-7倍。

三、快速型

  燃料和空气混合物进入炉膛后开始燃烧,这时温度急剧上升到近于绝热温度水平。同时,由于烟气与周围介质间的对流和辐射换热,温度逐渐降低,直到与周围介质温度相同,也即烟气边冷却边流过整个炉膛。由此可见,炉内的火焰温度分布实际上是不均匀的。

  通常,离燃烧器出口一定距离处的温度最高,在其前后的温度都较低,即存在局部高温区。由于该区的温度要比炉内平均温度水平高得多,因此它对NOX生成量有很大的影响。因此,在炉膛内,为了抑制NOX的生成,除了降低炉內平均温度外,还必须设法使炉内温度分布均匀,避免局部高温。


四、低氮燃烧器NOx控制技术(最经济和便利的方式)


低过量空气燃烧技术>>>


  减少烟气中的过量氧气,可以抑制NOx的产生。通过燃烧头的精确设计,使空气和燃料可以最有效、最及时的混合,使燃烧过程尽可能地在理论空气量的条件上运行。这是最直接也是最有效地减少NOx排放的方法。

 

空气燃料分级分段燃烧技术>>>


  在燃烧器总供风量不变的前提下,把空气和燃料从轴向和径向分级分层送入喷嘴,使燃烧产生中心、轴流、旋流等:个区域。中心燃烧区域燃料处于缺氧状态,未完全燃烧的燃料在冋外围扩散时遇到空气再次燃烧。这种分级分段燃烧可以降低火焰温度的峰值及平均值。可以降低的炉膛温度,从而降低NOX的产生。

  通过多级喷气及多级配风,将火焰区域相对分散同时在火焰层次上又形成相互呼应的多级火焰形式。这样火焰的散热效果相对较好,可以降低火焰局部高温,有助于减少NOX的形成。

 

烟气内循环技术>>>



  燃烧温度的降低可以通过在火焰区域加入烟气来实现,加入的烟气吸热从而降低了燃烧温度。通过将烟气的燃烧产物加入到燃烧区域内,不仅降低了燃烧温度,减少了NOX生成;同时加入的烟气降低了氧气的分压,这将减弱氧气与氮气生成热力型NOX的过程,从而延缓NOX生成。

  利用燃烧器的空气动力学及流体力学原理,內部烟气再循环主要通过高速射流火焰的卷吸作用或者旋流燃烧器使得气流产生放置达到循环效果。

  通过运用旋流器生成一个有切向速度的气流,特定的旋转气流加强了燃料与空气的紊动混合,同时在旋流的中心回流区使大量的烟气内部回流而产生涡流。适当的涡流强度在气流中将会产生足够的径向和轴向梯度,这会导致气流反转在火焰中心产生一个环形的再循环区域。中心再循环区域的高温气体将回到燃烧器喉部,这确保了对冷的未燃烧气体的点火,同时通过降低火焰温度和降低氧气分压减少NOx生成。

 

火焰分割技术>>>

  将燃烧火焰分产割成多个小火焰,火焰散热面积增大,降低火焰峰值温度,减少热力型NOX的产生。

  低氮燃烧器以多喷枪多角度喷λ燃料,在火焰形态中形成多火焰分布状态,有效地降低火焰根部温度,使整个火焰温度趋于均匀。

 

新型电子比例调节技术>>>



  采用更精确的电子比例调节技术,更出色地控制每个燃烧点上的过量空气系数。在任何时间都不受机械连杆间隙、误差的影响,不受天气、压力波动等外界条件变化的影响。燃烧器可以实时地自动调整,保证一贯的高效节能燃烧状况。

 

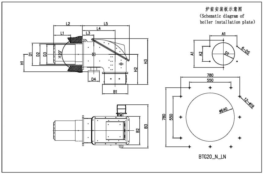
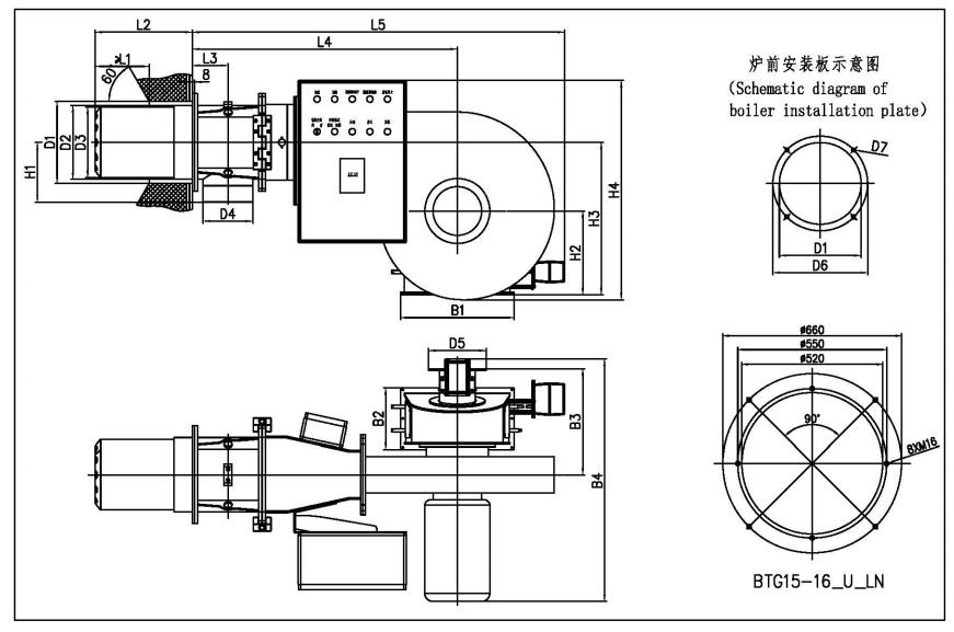
燃烧器技术参数

燃料种类:天然气,低位热值:8500kcal/m³


燃烧器配置参数


上一篇:博恩泰BURNTCH一体式低氮燃气燃烧器系列

下一篇:一体式低氮燃烧器